Роторные насосы

Насосы роторные предназначены для перекачивания вязких продуктов и жидкостей. Применяются в пищевой, фармацевтической и химической промышленностях. Полностью соответствуют гигиеническим требованиям, предъявляемым к пищевым производствам.
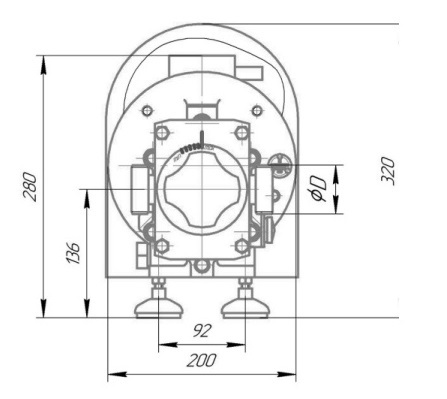
Насос предназначен для перекачивания по трубам вязких молочных продуктов (сливки с жирностью не ниже 36%, смеси для мороженого), вязких жидкостей (сыворотка молочная сгущенная, майонез, кремы, пасты, соки) с температурой до 90ºС на предприятиях молочной и пищевой промышленности средней и малой мощности. Особая форма роторов обеспечивает аккуратное без повреждений перекачивание жидкостей с включениями (йогурты, кетчупы, соки, пасты, пивное и квасное сусло).
Насос роторный В3-ОР2-А2
Насос предназначен для перекачивания по трубам вязких молочных продуктов (сливки, концентрированное и сгущенное молоко с концентрацией не выше 45%, смеси для мороженого и исходное сырьё для кисломолочных продуктов, кисломолочные напитки, кефир, сметана, простокваша, ряженка), а также вязких жидкостей (майонез, кремы, пасты, соки) при температуре до 90ºС на предприятиях молочной и пищевой промышленности. Особая форма роторов обеспечивает аккуратное без повреждений перекачивание жидкостей с включениями (йогурты, кетчупы, соки, пасты, пивное и квасное сусло).
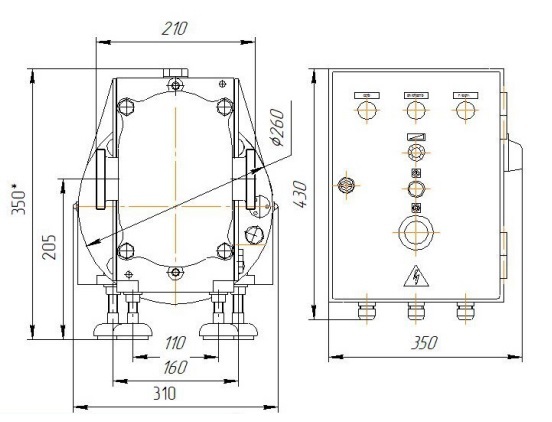
Насос роторный НР-10
Насос НМ предназначен для перекачивания по трубам вязких молочных продуктов (сливки, концентрированное и сгущенное молоко с концентрацией не выше 45%, смеси для мороженого и кисломолочные продукты), вязких жидкостей (майонез, кремы, пасты, соки) при температуре до 90°С на предприятиях молочной и пищевой промышленности. Особая форма роторов обеспечивает аккуратное без повреждений перекачивание жидкостей с включениями (йогурты, кетчупы, соки, пасты, пивное и квасное сусло).
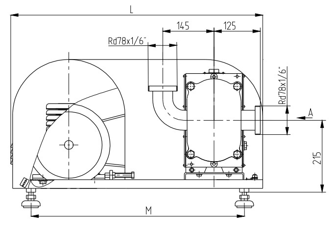
Насос роторный НМ
Насосы роторные НМ-Р (с рубашкой обогрева) предназначены для перекачивания по трубам вязких молочных или иных пищевых продуктов (шоколадная глазурь, патока, фруктовые и кремовые начинки) при температуре до 90°С на предприятиях молочной и пищевой промышленности. Иногда шоколад может включать твердые элементы, такие как миндаль, карамель и т.д. В таких случаях рекомендуется использовать насосы с двухкулачковыми роторами для сведения к минимуму разрушение включений в продукте.
Насос роторный НМ-Р
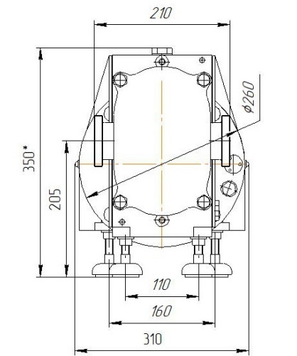
Насос роторный НМ-П (с преобразователем частоты) предназначен для перекачивания по трубам вязких молочных продуктов (сливки, концентрированное и сгущенное молоко с концентрацией не выше 45%, смеси для мороженого и кисломолочные продукты), вязких жидкостей и жидкостей с включениями (йогурты, кетчупы, соки, пасты, пивное и квасное сусло), сброженной заварки (при производстве хлеба и хлебобулочных изделий) при температуре до 90°С на предприятиях молочной и пищевой промышленности.
Насос роторный НМ-П

Наши партнеры

Оформить заказ

Благодарим Вас за проявленный интерес к нашей продукции!
Нажимая на кнопку, Вы даете согласие на обработку персональных данных и соглашаетесь c политикой конфиденциальности.

ПРИЕМНАЯ

+375 (162) 93 22 96


ОТДЕЛ ПРОДАЖ

+375 (162) 93 22 42


КОНСТРУКТОРСКО-ТЕХНОЛОГИЧЕСКИЙ ОТДЕЛ

+375 (162) 93 22 72



ПОЧТА

bmz@inbox.ru

general@bmz.by

This site was made on Tilda — a website builder that helps to create a website without any code
Create a website